您好,歡迎光臨帝國科技!
產品分類
PRODUCT
PRODUCT
- 國產晶振
- 聲表面濾波器
- 石英晶體
- 石英晶振
- 貼片晶振
- 陶瓷晶振
- 陶瓷濾波器
- 陶瓷霧化片
- 進口晶振
- MERCURY晶振
- Fujicom晶振
- 日本大真空晶振
- 愛普生晶振
- 西鐵城晶振
- 精工晶振
- 村田陶瓷晶振
- 日本京瓷晶振
- 日本進口NDK晶體
- 大河晶振
- TXC晶振
- 亞陶晶振
- 臺灣泰藝晶體
- 臺灣鴻星晶體
- 美國CTS晶體
- 微孔霧化片
- 加高晶振
- 希華石英晶振
- AKER晶振
- NAKA晶振
- SMI晶振
- NJR晶振
- NKG晶振
- Sunny晶振
- 歐美晶振
- Abracon晶振
- ECS晶振
- Golledge晶振
- IDT晶振
- Jauch晶振
- Pletronics晶振
- Raltron晶振
- SiTime晶振
- Statek晶振
- Greenray晶振
- 康納溫菲爾德晶振
- Ecliptek晶振
- Rakon晶振
- Vectron晶振
- 微晶晶振
- AEK晶振
- AEL晶振
- Cardinal晶振
- Crystek晶振
- Euroquartz晶振
- FOX晶振
- Frequency晶振
- GEYER晶振
- KVG晶振
- ILSI晶振
- MMDCOMP晶振
- MtronPTI晶振
- QANTEK晶振
- QuartzCom晶振
- Quarztechnik晶振
- Suntsu晶振
- Transko晶振
- Wi2Wi晶振
- ACT晶振
- MTI晶振
- Lihom晶振
- Rubyquartz晶振
- Oscilent晶振
- SHINSUNG晶振
- ITTI晶振
- PDI晶振
- ARGO晶振
- IQD晶振
- Microchip晶振
- Silicon晶振
- Fortiming晶振
- CORE晶振
- NIPPON晶振
- NICKC晶振
- QVS晶振
- Bomar晶振
- Bliley晶振
- GED晶振
- FILTRONETICS晶振
- STD晶振
- Q-Tech晶振
- Anderson晶振
- Wenzel晶振
- NEL晶振
- EM晶振
- PETERMANN晶振
- FCD-Tech晶振
- HEC晶振
- FMI晶振
- Macrobizes晶振
- AXTAL晶振
帝國博客
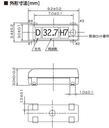
更多>>- 規格型號:39665730
- 頻率:32.768~100.000KHZ
- 尺寸:9.2*3.4*3.0mm
- 產品描述:使用金屬封裝的具有高穩定性、高可靠性的晶體諧振器、使用金屬封裝,充分的密封可確保其高可靠性、采用纏帶包裝,可對應自動貼裝。
KDS晶振株式會社,日本大真空DMX-26晶振,定時器晶振
.jpg)
KDS晶振株式會社,日本大真空DMX-26晶振,定時器晶振,小體積SMD時鐘晶體諧振器,是貼片音叉晶體,千赫頻率元件,應用于時鐘模塊,智能手機,全球定位系統,因產品本身體積小,SMD編帶型,可應用于高性能自動貼片焊接,被廣泛應用到各種小巧的便攜式消費電子數碼時間產品,環保性能符合ROHS/無鉛標準.

|
規格參數
|
DMX-26 |
|
頻率范圍
|
32.768KHZ
|
|
負載電容
|
12.5pF
|
|
工作溫度
|
-40~+85℃
|
|
存儲溫度
|
-40~+85℃
|
|
頂點溫度
|
+25℃ ± 5℃
|
|
二次溫度系數
|
-0.04×10-6 /℃2 max
|
|
老化率
|
±1.0×10-6 max /year
|
|
起動時間
|
2.0ms max
|

.jpg)

清洗
一般的清洗解決方案或超聲波清洗可用于清潔我們的石英晶振,但在使用前建議進行驗證試驗.調諧叉晶體諧振頻率附近的超聲波清洗機的清洗頻率接近,這可能會導致在晶體共振惡化.因此,超聲波清洗機清洗音叉晶體的使用應避免DED.應用超聲波清洗后,通過對最終產品的性能進行測試,驗證了晶體的功能.
沖擊
晶體產品的設計,以抵抗沖擊,但如果產品受到過多的沖擊或被丟棄在地面上,一定要檢查使用前的任何損害.
<SMD產品>
SMD晶體產品支持自動貼裝,但還是請預先基于所使用的搭載機實施搭載測試,確認其對特性沒有影響. 在切斷工序等會導致基板發生翹曲的工序中,請注意避免翹曲影響到產品的特性以及軟焊. 基于超聲波焊接的貼裝以及加工會使得晶體產品(諧振器、振蕩器、濾波器)內部傳播過大的振動,有可能導致特性老化以及引起不振蕩,因此不推薦使用.

1、制定環境目標,有計劃地確認實行結果,進而得到持續的改善.
2、遵守日本國內和世界各國的環境相關法規、條例以及業界的工作事項,致力于預防環境污染.
3、在從商品的制造到銷售的全生命周期中,力圖通過綠色采購、關愛環境的制造方法、化學物質的管理、商品、包裝材料、運輸方法等有效利用資源和降低溫室化氣體、廢棄物排放.以此為保全生物多樣性做貢獻.
4、與公司員工共享環境問題的動向和公司的環境方針,促進對環境活動的理解和參加.
5、向公司外宣傳有關環境問題的方針和活動力圖加深與社會的溝通.

自1959年成立以來,我們在大真空總是確保全球消費者的信任通過提供產品滿足需要投身于更大的復雜性,在我們的“依賴”的三個哲學:“可靠的人”“可靠的產品,”和“可靠的公司.“作為一個全球石英設備制造商,我們努力幫助實現新一代電子社會,更方便、更舒適,通過開發水晶設備對全球環境友好.
基于我們的座右銘“高質量的產品,合理的價格,準時交貨,“我們建立了一種高效的生產系統,以確保穩定供應水晶設備,同時保持高質量.大真空的綜合生產系統,從開發、切割和拋光的合成石英晶體成品——使我們能夠迅速滿足全球客戶的需求.我們將繼續支持下一代技術作為主要石英設備制造市場提供高滿意度的質量、成本和交付.

深圳市帝國科技有限公司SHENZHEN DIGUO TECHONLOGY CO.,LTD
聯系人:譚蘭艾 手 機:86-13826527865
電 話:86-0755-27881119 QQ:921977998
E-mail:dgkjly@163.com
網 址:m.nliguihua5.com.cn
地 址:中國廣東省深圳市寶安區西鄉大道新湖路





.jpg)



業務經理