PRODUCT
- 國產晶振
- 聲表面濾波器
- 石英晶體
- 石英晶振
- 貼片晶振
- 陶瓷晶振
- 陶瓷濾波器
- 陶瓷霧化片
- 進口晶振
- MERCURY晶振
- Fujicom晶振
- 日本大真空晶振
- 愛普生晶振
- 西鐵城晶振
- 精工晶振
- 村田陶瓷晶振
- 日本京瓷晶振
- 日本進口NDK晶體
- 大河晶振
- TXC晶振
- 亞陶晶振
- 臺灣泰藝晶體
- 臺灣鴻星晶體
- 美國CTS晶體
- 微孔霧化片
- 加高晶振
- 希華石英晶振
- AKER晶振
- NAKA晶振
- SMI晶振
- NJR晶振
- NKG晶振
- Sunny晶振
- 歐美晶振
- Abracon晶振
- ECS晶振
- Golledge晶振
- IDT晶振
- Jauch晶振
- Pletronics晶振
- Raltron晶振
- SiTime晶振
- Statek晶振
- Greenray晶振
- 康納溫菲爾德晶振
- Ecliptek晶振
- Rakon晶振
- Vectron晶振
- 微晶晶振
- AEK晶振
- AEL晶振
- Cardinal晶振
- Crystek晶振
- Euroquartz晶振
- FOX晶振
- Frequency晶振
- GEYER晶振
- KVG晶振
- ILSI晶振
- MMDCOMP晶振
- MtronPTI晶振
- QANTEK晶振
- QuartzCom晶振
- Quarztechnik晶振
- Suntsu晶振
- Transko晶振
- Wi2Wi晶振
- ACT晶振
- MTI晶振
- Lihom晶振
- Rubyquartz晶振
- Oscilent晶振
- SHINSUNG晶振
- ITTI晶振
- PDI晶振
- ARGO晶振
- IQD晶振
- Microchip晶振
- Silicon晶振
- Fortiming晶振
- CORE晶振
- NIPPON晶振
- NICKC晶振
- QVS晶振
- Bomar晶振
- Bliley晶振
- GED晶振
- FILTRONETICS晶振
- STD晶振
- Q-Tech晶振
- Anderson晶振
- Wenzel晶振
- NEL晶振
- EM晶振
- PETERMANN晶振
- FCD-Tech晶振
- HEC晶振
- FMI晶振
- Macrobizes晶振
- AXTAL晶振
帝國博客
更多>>- 規格型號:93896609
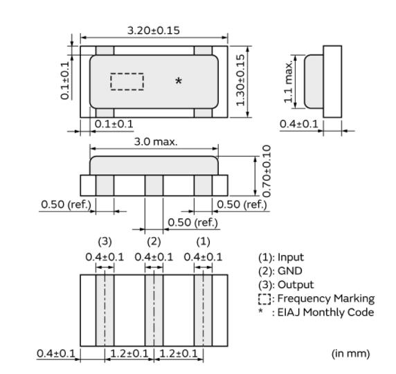
- 頻率:8MHZ
- 尺寸:3.2*1.3*0.8mm
- 產品描述:村田晶振,CSTNE_G_A晶振,CSTNE8M00G55A000R0晶振,日本村田株式會社,創辦1940年,注冊品牌為murata,在通信市場,由于智能手機所安裝元件的增加,以及載波聚合技術的普及,村田的元件及模塊的需要也在不斷地提高,今后,通信...
村田晶振,CSTNE_G_A晶振,CSTNE8M00G55A000R0晶振
.jpg)

村田晶振,CSTNE_G_A晶振,CSTNE8M00G55A000R0晶振,日本村田株式會社,創辦1940年,注冊品牌為murata,在通信市場,由于智能手機所安裝元件的增加,以及載波聚合技術的普及,村田的元件及模塊的需要也在不斷地提高,今后,通信市場仍將成為村田的一大支柱,為此,我們將通過供應鏈管理而實現的穩定供應體制,以及范圍廣泛的有源晶振產品陣容,為通信市場提供新的價值.
村田晶振,CSTNE_G_A晶振,CSTNE8M00G55A000R0晶振,此外,我們也將汽車、能源、醫療保健作為重點市場,并提供質優村田才能實現的價值.在新感應技術及通信技術需求不斷提高的IoT社會,村田將作為一個重要的參與者來體現其存在的價值,并不斷強化制造、技能開發及人才開發等事業基礎,村田晶振的發展永無止境,而在新的發展過程中 “經營理念”,使村田永遠成為為客戶和社會而存在的企業.

| 產品型 | 陶瓷諧振器 |
|---|---|
| 系列名 | CSTNE_G_A |
| 頻率 | 8.000MHz |
| 頻率公差 | ±0.50% max. |
| 工作溫度范圍 | -40℃~125℃ |
| 頻率溫度特性 | ±0.20% max. |
| 頻率老化 | ±0.10% max. |
| 諧振電阻 (R1) | 40Ω max. |
| 內置負載電容(CL1/CL2) | 33pF |
| 形狀 | SMD |
| 清洗 | 對應 |
| 長x寬 | 3.2x1.3mm |
| 質量 | 10.48mg |
.jpg)

各項注意事項:
產品使用每種產品時,請在規格說明村田陶瓷振蕩子產品目錄規定使用條件下使用。因很多種產品性能,以及材料有所不同,所以使用注意事項也有所不同,比如焊接模式,運輸模式,保存模式等等,都會有所差別。
村田諧振器產品設計和生產直到出廠,都會經過嚴格的測試檢測來滿足它的規格要求。通過嚴格的出廠前可靠性測試以提供高質量高的可靠性的.但是為了的品質和可靠性,必須在適當的條件下存儲,安裝,運輸。請注意以下的注意事項并在最佳的條件下使用產品,我們將對于客戶按自己的判斷而使用石英晶振所導致的不良不負任何責任。
機械振動的影響:當村田陶瓷晶振產品上存在任何給定沖擊或受到周期性機械振動時,比如:壓電揚聲器,壓電蜂鳴器,以及喇叭等,輸出頻率和幅度會受到影響。這種現象對通信器材通信質量有影響。盡管產品設計可最小化這種機械振動的影響,我們推薦事先檢查并按照下列安裝指南進行操作。
抗沖擊:抗沖擊是指晶振產品可能會在某些條件下受到損壞.例如從桌上跌落,摔打,高空拋壓或在貼裝過程中受到沖擊.如果產品已受過沖擊請勿使用.因為無論何種石英晶振,其內部晶片都是石英晶振制作而成的,高空跌落摔打都會給晶振照成不良影響..jpg)

從設計階段開始減少環保負荷的體制建設,村田晶振由環保主管董事擔任整個集團的環?;顒拥目傌撠熑?由環保部跨事業所支持和促進環?;顒?此外,社長的咨詢機構—環保委員會,還針對各村田晶振,陶瓷諧振器,村田陶瓷晶振,陶瓷振蕩子,村田石英晶振據點的活動情況和全公司的環保課題進行議論和探討.此外,為大力推進二氧化碳減排活動,設立了“防止全球變暖委員會”,加快設計、開發和生產過程中CO2減排活動的步伐.
截止到2006年度,村田晶振在國內外的所有生產據點以及國內的非生產據點——村田制作所總公司、東京分公司、營業所,均取得了ISO14001認證.此后,村田陶瓷晶振努力開展體系整合,并于2007年3月在國內集團的34個據點完成了向ISO14001多站認證的轉變.村田晶振力求通過此舉,落實從設計、開發到村田晶振,陶瓷諧振器,村田石英晶振,村田陶瓷諧振器的生產、銷售的一條龍環保管理,同時還將在一部分據點取得顯著成效的改善事例推廣應用到其他據點等,以提高整個村田晶振集團的環??冃?村田晶振,CSTNE_G_A晶振,CSTNE8M00G55A000R0晶振.

深圳市帝國科技有限公司
SHENZHEN DIGUO TECHONLOGY CO.,LTD
手 機:86-13826527865
電 話:86-0755-27881119 QQ:921977998
E-mail:dgkjly@163.com
網 址:m.nliguihua5.com.cn
地 址:中國廣東省深圳市寶安區西鄉大道新湖路






業務經理